USP Icon
Pay after delivery
USP Icon
Customers rate Zandri 9
USP Icon
More than 100,000 parts in the assortment

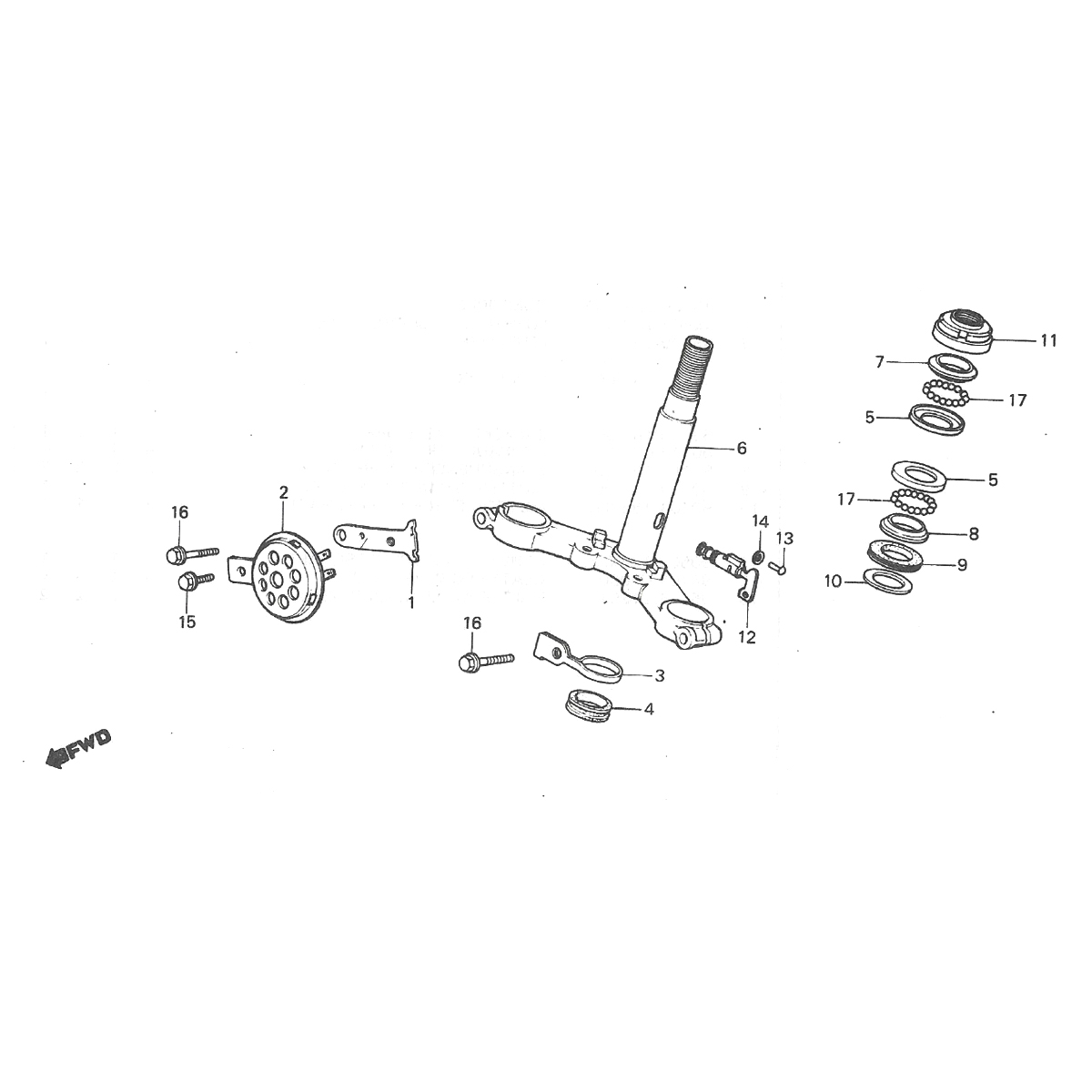
Crown Piece - Handlebar-head bearing set - Horn Honda MT50

Crown Piece - Handlebar-head bearing set - Horn Honda MT50
loader
Loading...