USP Icon
Pay after delivery
USP Icon
Customers rate Zandri 9
USP Icon
More than 100,000 parts in the assortment

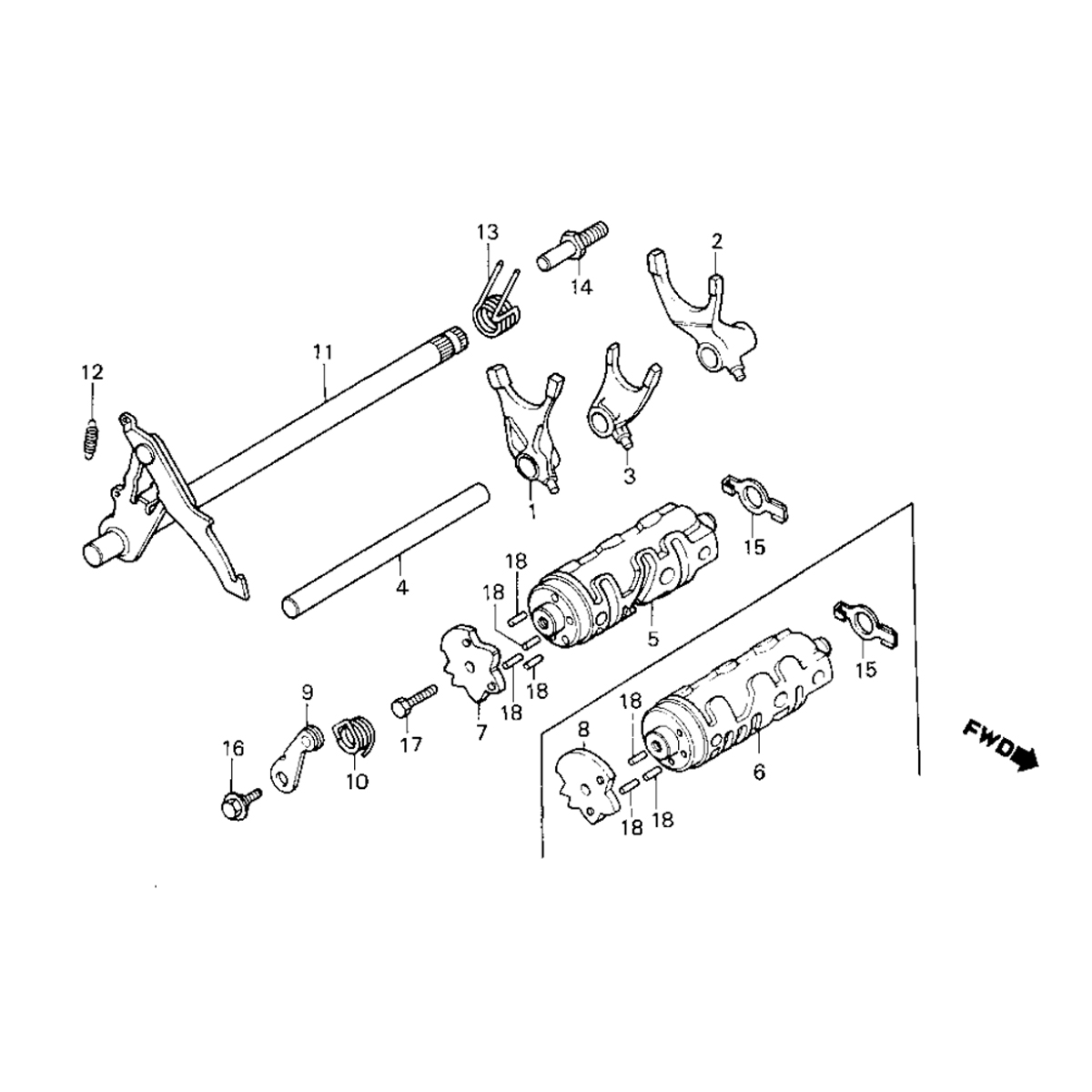
Honda MB/MT/MTX/MBX 50 and 80 shift axle

Honda MB/MT/MTX/MBX 50 and 80 shift axle
loader
Loading...