USP Icon
Pay after delivery
USP Icon
Customers rate Zandri 9
USP Icon
More than 100,000 parts in the assortment

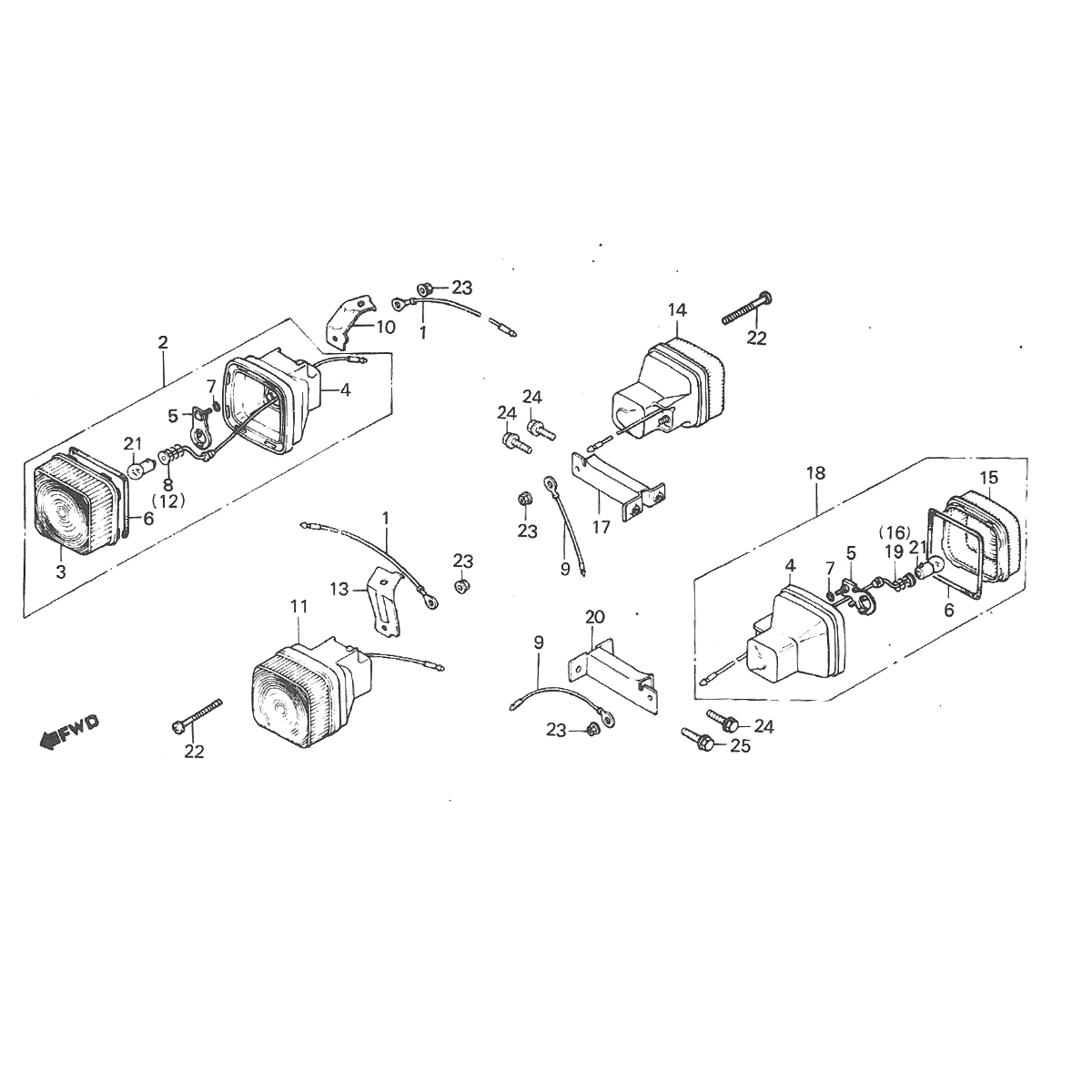
Honda MT50 indicators

Honda MT50 indicators
loader
Loading...