USP Icon
Pay after delivery
USP Icon
Customers rate Zandri 9
USP Icon
More than 100,000 parts in the assortment

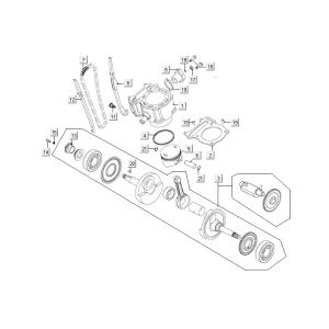
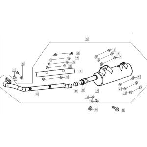
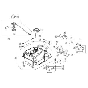
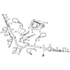
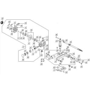
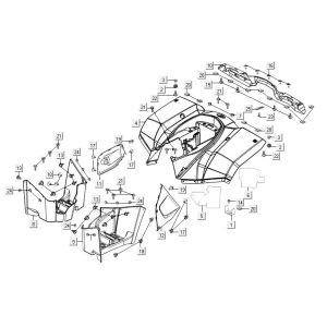
Indicator light Kymco MXU 300R

Indicator light Kymco MXU 300R
loader
Loading...