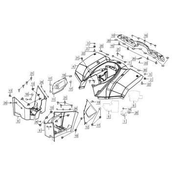
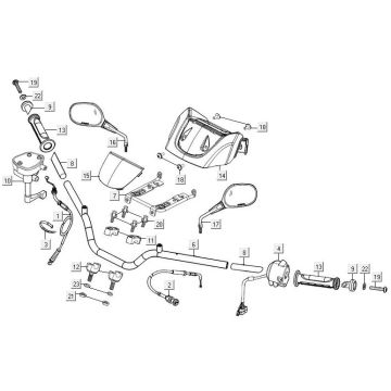
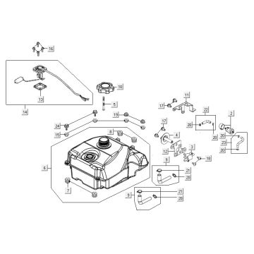
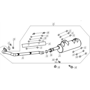
Technical drawings for Kymco MXU 300R
Click here on the technical drawings or exploded view of the Kymco MXU 300R quad for which you are looking for parts or accessories. The technical drawings of the Kymco MXU 300R give you a clear overview of the various fitting parts and accessories. By looking for your parts, you will always have suitable parts for your Kymco MXU 300R.


