Technical drawings for SYM Fiddle 3 white/black
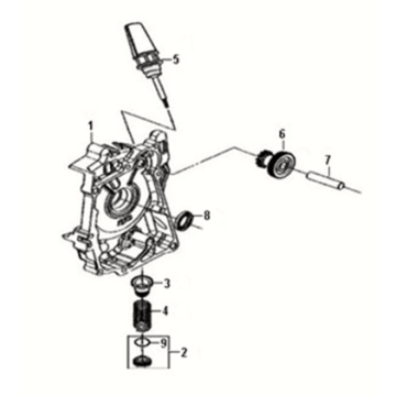
Click here on the technical drawings or exploded view of the SYM Fiddle 3 white/black scooter for which you are looking for parts or accessories. The technical drawings of the SYM Fiddle 3 give you a clear overview of the various matching parts and accessories. By searching for your parts, you will always have suitable parts for your SYM Fiddle 3 white/black.
About the Sym Fiddle III.
One of the largest producers in the world of scooters is the Sym brand. The Sym Fiddle III is also a sales cannon. It's not for nothing; the sitting position is perfect due to the smart placement of the steering wheel and ignition lock. Especially the flat large buddyseat ensures a stable seat and ditto handling. The Sym Fiddle III is equipped with a super efficient, powerful and above all silent injection 4-stroke engine. The parts for the Fiddle III are well available, both original and imitation. This also applies to all accessories.
Easily order parts via the technical drawings for your Sym Fiddle III.
The Sym Fiddle III has a diverse range of customers due to all its positive driving characteristics; many recreational riders, but of course also for commuting! You can choose from the various colors of the Sym Fiddle III via our technical drawings here. Should you have a question or can't find a part? We can be reached via https://www.zandri.nl/contact. So you can do this via mail, whatsapp, live chat or by phone!
New parts; both factory original and imitation for the Sym Fiddle III.
Hoods for the Sym Fiddle III are almost always original. They are pricey, but color and fit are perfect. The replacement parts/imitation parts are cheap (er) and easy to find via the search bar at the top or menu structure on the left side of the site.


