Technical drawings for SYM Allo matt grey
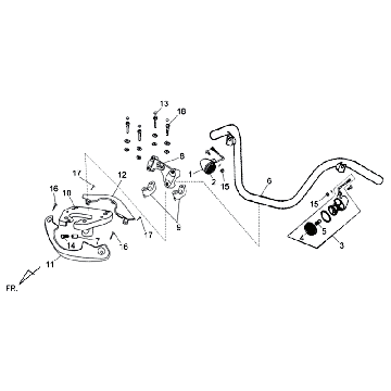
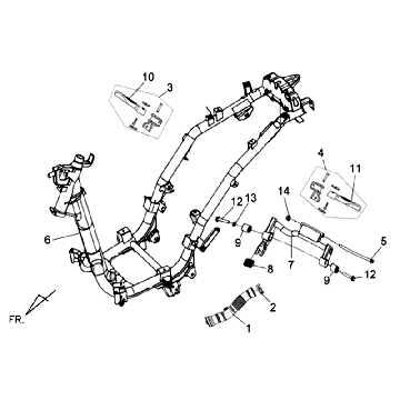
Click here on the technical drawings or exploded view of the SYM Allo matt grey scooter for which you are looking for parts or accessories. The technical drawings of the SYM Allo give you a clear overview of the various fitting parts and accessories. By looking for your parts, you will always have suitable parts for your SYM Allo matt grey.
Parts for Sym Allo (formerly Sym Cello) scooter
Everyone in the Netherlands now knows the Sym brand! That's because Sym is one of the frontrunners in the sale of scooters in the Netherlands. At the moment, the retro Sym scooters are very popular, in the youth, but also among adults. More and more often, for example, people want a Sym Mio or Allo to deal with on the weekend. Or, for example, when you live in a big city, a scooter is often easier than a car. But is there something to replace? With Zandri parts, that's no problem!
You can find parts SYM Allo or Cello via drawings
The Sym Allo four-stroke engines use a lot less fuel than the two-stroke engines and the wear is a lot less. They are very reliable, unlike his Chinese scooter brothers. Like many other scooters, Sym Allo scooters are used for commuting, shopping or just for a bit of touring.
Above you can see the different types of the Sym Allo scooters that we have technical drawings of. First, choose your type, then your model and then see the drawings you need. In the unlikely event that you still can't find parts, we will be happy to help you by phone.
New parts or universal parts
However, it is not a guarantee that when you order a new hood part of the same color, for example, it is exactly the same color as the hoods that are on your scooter. The color may sometimes be slightly different. You can search universal parts using the search bar in the top right corner.


