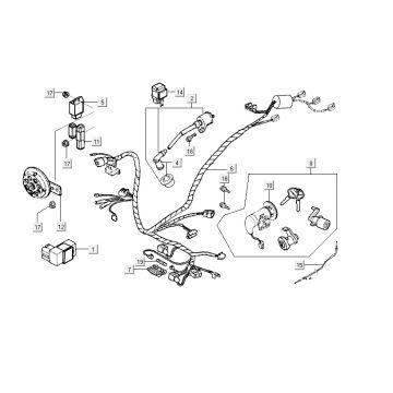
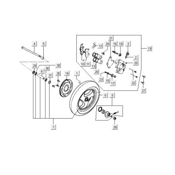
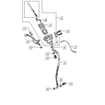
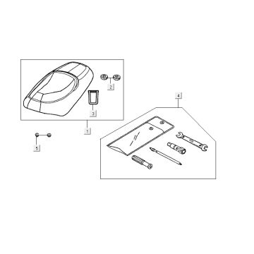
Technical drawings for Kymco Yup 2-stroke ac classic green
Click here on the technical drawings or exploded view of the Kymco Yup 2-stroke ac classic green for which you are looking for parts or accessories. The technical drawings of the Kymco Yup 2-stroke ac classic green give you a clear overview of the various matching parts and accessories. By searching your parts, you will always have suitable parts for your Kymco Yup 2-stroke ac classic green.


