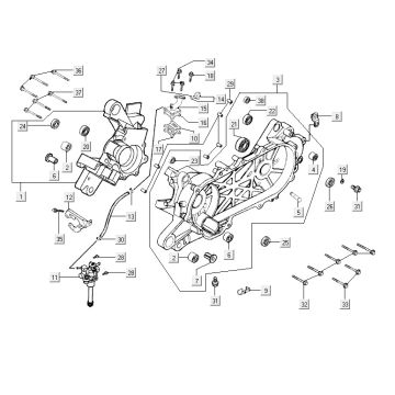
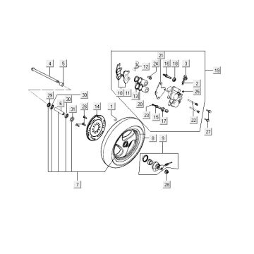
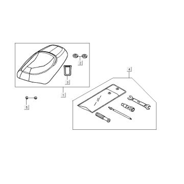
Technical drawings for Kymco Yup 2-stroke ac black gloss
Click here on the technical drawings or exploded view of the Kymco Yup 2-stroke ac black gloss for which you are looking for parts or accessories. The technical drawings of the Kymco Yup 2-stroke ac black gloss give you a clear overview of the various matching parts and accessories. By searching for your parts, you will always have suitable parts for your Kymco Yup 2-stroke ac black gloss.


