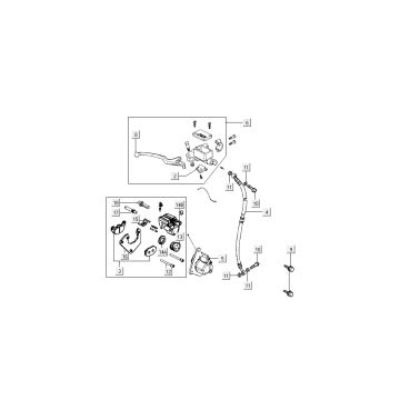
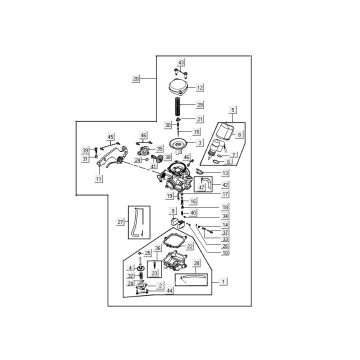
Technical drawings for the Kymco Super8 4-stroke from 2009 white
Click here on the technical drawings or exploded view of the Kymco Super8 4-stroke from 2009 white for which you are looking for parts or accessories. The technical drawings of the Kymco Super8 4-stroke from 2009 white give you a clear overview of the various matching parts and accessories. By searching your parts, you will always have suitable parts for your Kymco Super8 4-stroke from 2009 white.


