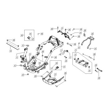
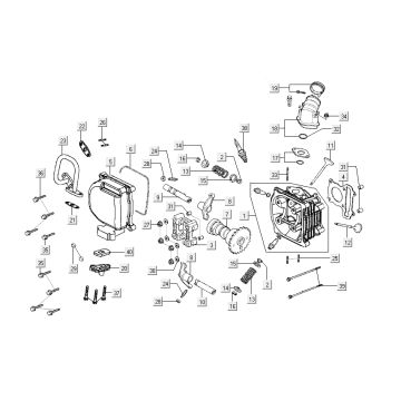
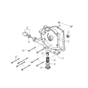
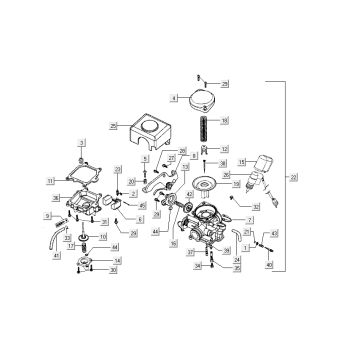
Technical drawings for Kymco Sento 4-stroke pink
Click here on the technical drawings or exploded view of the Kymco Sento 4-stroke pink for which you are looking for parts or accessories. The technical drawings of the Kymco Sento 4-stroke pink give you a clear overview of the various matching parts and accessories. By searching for your parts, you will always have suitable parts for your Kymco Sento 4-stroke pink.


