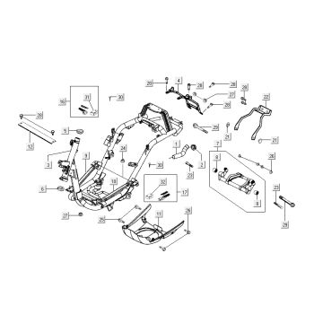
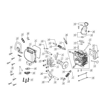
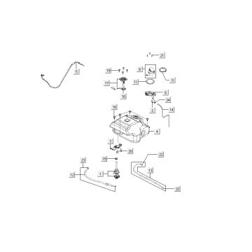
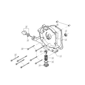
Technical drawings for Kymco Sento 4-stroke blue
Click here on the technical drawings or exploded view of the Kymco Sento 4-stroke blue for which you are looking for parts or accessories. The technical drawings of the Kymco Sento 4-stroke blue give you a clear overview of the various matching parts and accessories. By searching your parts, you will always have suitable parts for your Kymco Sento 4-stroke blue.


