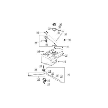
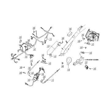
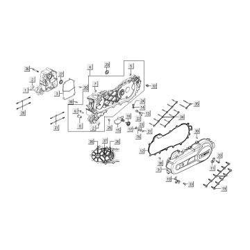
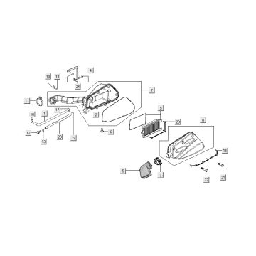
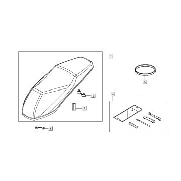
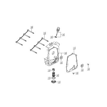
Technical drawings for Kymco People S 4-stroke matt black
Click here on the technical drawings or exploded view of the Kymco People S 4-stroke matte black for which you are looking for parts or accessories. The technical drawings of the Kymco People S 4-stroke matte black give you a clear overview of the various fitting parts and accessories. By searching for your parts, you will always have suitable parts for your Kymco People S 4-stroke matte black.


