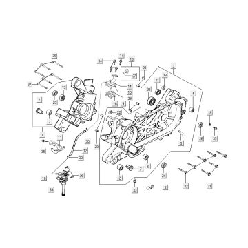
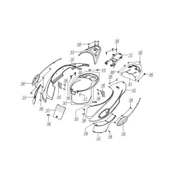
Technical drawings for Kymco People 2-stroke 50cc Dark grey
Click here on the technical drawings or exploded view of the Kymco People 2-stroke 50cc Dark grey for which you are looking for parts or accessories. The technical drawings of the Kymco People 2-stroke 50cc Dark Grey give you a clear overview of the various matching parts and accessories. By searching your parts, you will always have suitable parts for your Kymco People 2-stroke 50cc Dark Grey.


