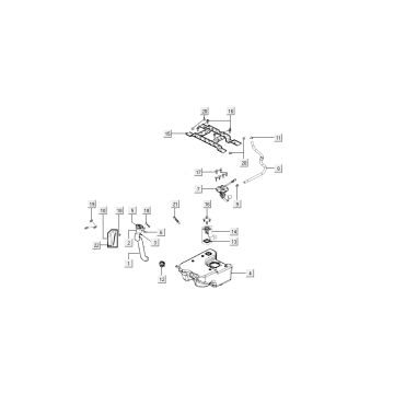
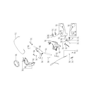
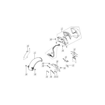
Technical drawings for Kymco New Sento 4-stroke red
Click here on the technical drawings or exploded view of the Kymco New Sento 4-stroke gold for which you are looking for parts or accessories. The technical drawings of the Kymco New Sento 4-stroke red give you a clear overview of the various matching parts and accessories. By searching for your parts, you will always have suitable parts for your Kymco New Sento 4-stroke red.


