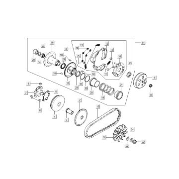
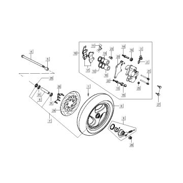
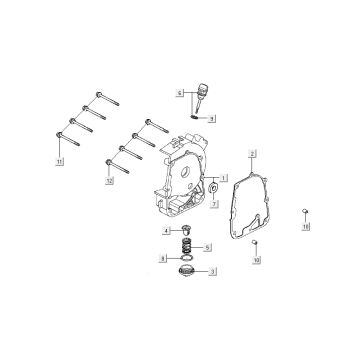
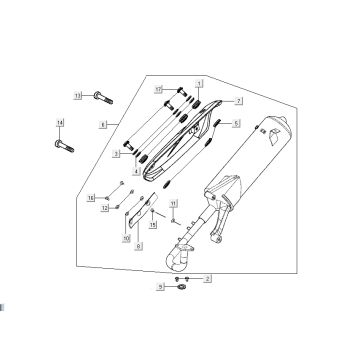
Technical drawings for Kymco New Dink 4-stroke white
Click here on the technical drawings or exploded view of the Kymco New Dink 4-stroke white for which you are looking for parts or accessories. The technical drawings of the Kymco New Dink 4-stroke white give you a clear overview of the various matching parts and accessories. By searching your parts, you will always have suitable parts for your Kymco New Dink 4-stroke white.


