Technical drawings for Kymco MXU 50
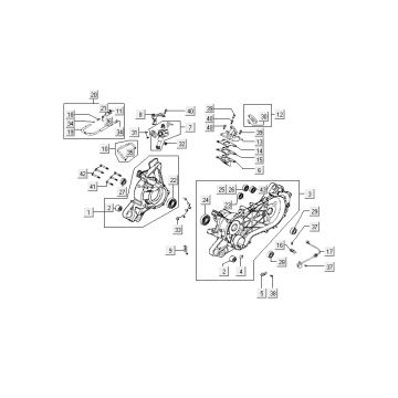
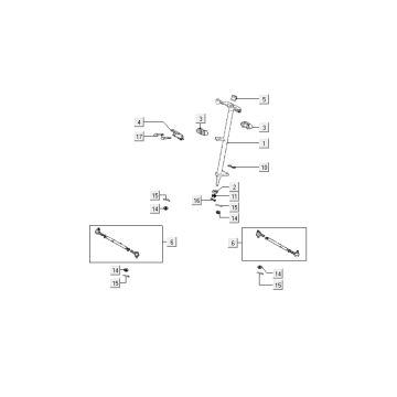
Click here on the technical drawings or exploded view of the Kymco MXU 50 for which you are looking for parts or accessories. The technical drawings of the Kymco MXU 50 give you a clear overview of the various fitting parts and accessories. By looking for your parts, you will always have suitable parts for your Kymco MXU 50.
Parts for the Kymco MXU 50
Through our technical drawings of the Kymco MXU 50 you can easily and quickly find the right original parts. The parts linked to the drawings are original parts, so you are guaranteed of original quality.
The MXU 50 is the entry model of the MXU series
In addition to unprecedented driving pleasure, the MXU 50 also offers optimal safety, which is ideal but for the youngest quad or ATV riders. The MXU 50 is the entry-level model of the many MXU models Kymco has. This Quad has a very sturdy riding wheel area, is easy to control and equipped with good drum brakes. The MXU 50 is an air-cooled 4 stroke Quad which ensures efficient petrol use. The engine will be switched off immediately when the driver loses power over the steering wheel due to the emergency fever. The adjustable throttle can be adjusted to the driver's ability to drive, so that a responsible situation always arises. A rear light and striking halogen headlight is also mounted for perfect visibility and good visibility. All in all, a very complete and safe Quad.
EQUIPMENT MXU 50
- Fully automatic gearbox, including reverse gear
- Handy luggage rack, front and rear
- Halogen headlight and tail light
- Electric start and kickstart
- Digital unit, speedometer, odometer, gas meter, clock
- Rear handle for easy moving
- Independent front suspension


