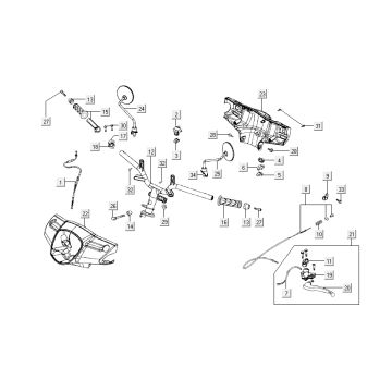
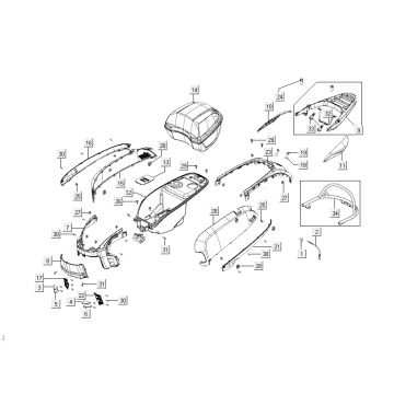
Technical drawings for Kymco Like 4-stroke metallic black
Click here on the technical drawings or exploded view of the Kymco Like 4-stroke metallic black for which you are looking for parts or accessories. The technical drawings of the Kymco Like 4-stroke metallic black give you a clear overview of the various matching parts and accessories. By searching for your parts, you will always have suitable parts for your Kymco Like 4-stroke metallic black.


