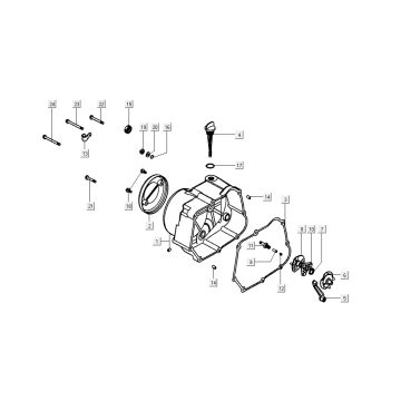
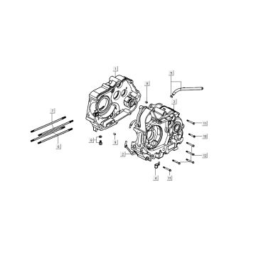
Technical drawings for Kymco K-Pipe 4-stroke Gloss Black
Click here on the technical drawings or exploded view of the Kymco K-Pipe 4-stroke Gloss Black for which you are looking for parts or accessories. The technical drawings of the Kymco K-Pipe 4-stroke Gloss Black give you a clear overview of the various fitting parts and accessories. By searching your parts, you will always have suitable parts for your Kymco K-Pipe 4-stroke Gloss Black.


