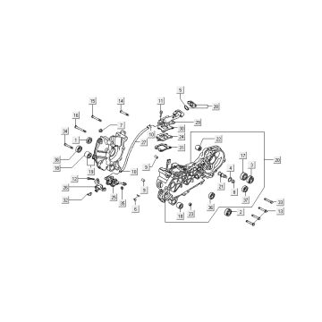
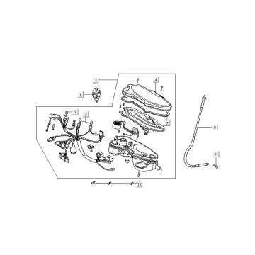
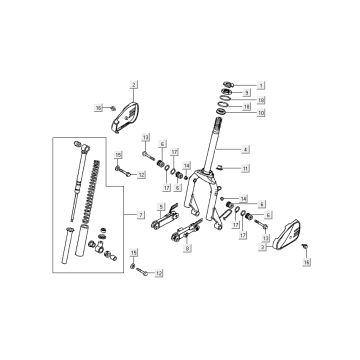
Technical drawings for Kymco DJ 2-stroke Black
Click here on the technical drawings or exploded view of the Kymco DJ 2-stroke Black for which you are looking for parts or accessories. The technical drawings of the Kymco DJ 2-stroke Black give you a clear overview of the various matching parts and accessories. By searching for your parts, you will always have suitable parts for your Kymco DJ 2-stroke Black.


