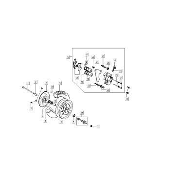
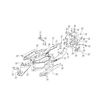
Technical drawings for the Kymco Dink AC 2-stroke Silver
Click here on the technical drawings or exploded view of the Kymco Dink AC 2-stroke Silver for which you are looking for parts or accessories. The technical drawings of the Kymco Dink AC 2-stroke Silver give you a clear overview of the various matching parts and accessories. By searching for your parts, you will always have suitable parts for your Kymco Dink AC 2-stroke Silver.


