USP Icon
Pay after delivery
USP Icon
Customers rate Zandri 9
USP Icon
More than 100,000 parts in the assortment

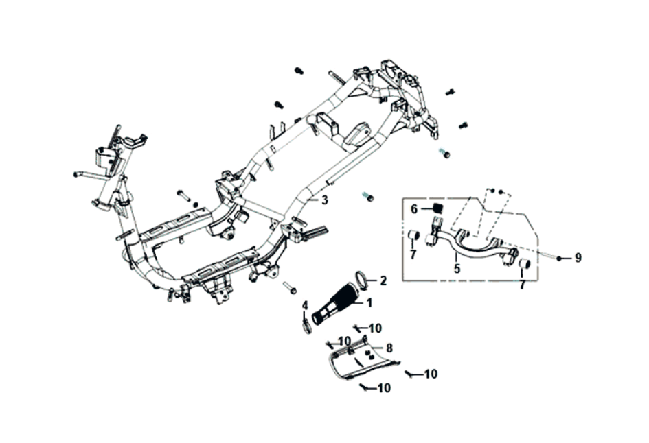
Frame Engine Suspension Sym Fiddle II euro4 (WH-006) White

Frame Engine Suspension Sym Fiddle II euro4 (WH-006) White
loader
Loading...

Spare parts Sym Fiddle II Euro4 (WH-006) White