USP Icon
Pay after delivery
USP Icon
Customers rate Zandri 9
USP Icon
More than 100,000 parts in the assortment

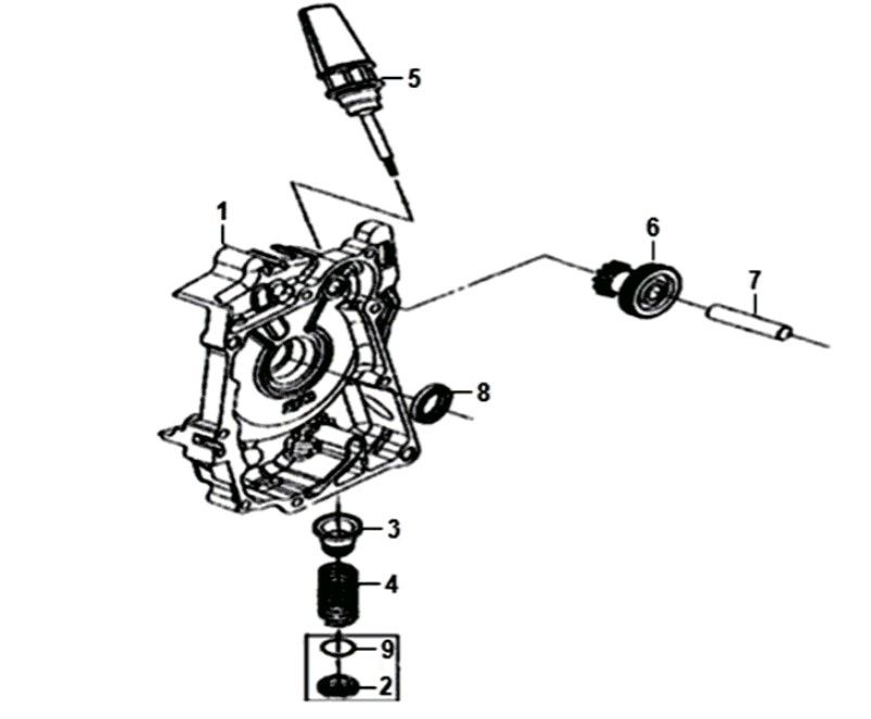
Carter rechts - start motor Sym Fiddle II Euro 4

Carter rechts - start motor Sym Fiddle II Euro 4
loader
Loading...

Spare parts Sym Fiddle II Euro4 (BK-5560S) black