Parts and accessories for Senzo Retro GT2
Click here on the correct version of the Senzo Retro GT2 scooter for which you are looking for parts or accessories. The technical drawings of the Senzo Retro GT2 give you a clear overview of the various matching parts and accessories. Of course, the original Senzo Retro GT2 parts fit the best.
The Senzo Retro GT2 scooter
It's a really fun “fun” scooter! The Senzo Retro GT2 4-stroke has a classic look. The Retro is equipped with a GY6 engine block, so suitable for refueling Euro 95. By using chrome parts and a wide steering wheel, the retro character of this scooter is even more emphasized! The Senzo Retro is widely sold and largely for recreational purposes.
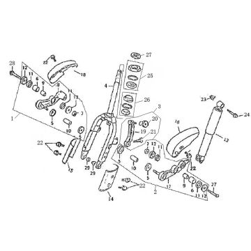
Parts via technical drawing for Senzo Retro
Above you can see the Retro type models that we have technical drawings of. First, choose your model and then see the drawing you think you need. If you are looking for parts in this way, you are always guaranteed to have suitable parts and accessories for your Senzo Retro. Please pay close attention to the hood parts of this scooter, because these may differ. For the maintenance of your Senzo Retro, it is very important that you use well-fitting parts, this prevents unnecessary wear and can save you a lot of unnecessary costs.
Parts and colors
This type comes in many different colors. Colors that are familiar to us:
However, it is no guarantee that when you order a new hood part of the same color, it will be exactly the same color as the hoods that are on your scooter. The color may sometimes be slightly different.
Spare parts for the Senzo Grande Retro
The Senzo Grande Retro parts are easy to find through our technical drawings. By scrolling, then zooming in, then clicking on the photo. By using the parts and accessories on the drawings, you can be sure that the fit is always 100%, and the wear on the scooter is the slightest.
Senzo scooters
In addition to all the parts of the Senzo Grande Retro that you can find on the technical drawings above, we also have various parts for many other types of the Senzo brand that you can find through our technical drawings. Think of:
If you can't find your part, feel free to contact our customer service. We are happy to help you!


