USP Icon
Pay after delivery
USP Icon
Customers rate Zandri 9
USP Icon
More than 100,000 parts in the assortment
Read more
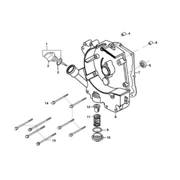
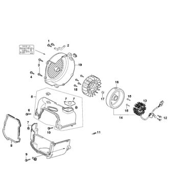
Spare parts Rover Fs3 4-stroke
Discover our selection in this category
Items 1-18 of 31
arrow-sm-down
loader
Loading...