Technical drawings for Pronto San Remo creme
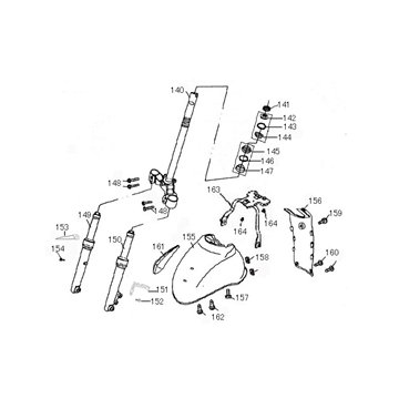
Click here on the technical drawings or exploded view of the Pronto San Remo creme scooter for which you are looking for parts or accessories. The technical drawings of the Pronto San Remo cream give you a clear overview of the various matching parts and accessories. By looking for your parts, you will always have suitable parts for your Pronto San Remo cream.
Colors of the San Remo.
The San Remo comes in the following colors:
- Blue
- Black
- Matt anthracite
- Cream
- Metallic brown
- Smoke
Please note that, for example, the colors of the caps may vary at a minimum.
Accessories and parts via the drawings.
If you order parts via the drawings, there are a number of advantages. So you can easily and quickly find the parts you are looking for. In addition, the drawings also allow you to get a better idea of exactly how your scooter is and is built up. You also have the advantage that the fit, of the parts and accessories from the drawings, is always 100% and because the fit is 100%, you keep the chance of wear as low as possible.


