Technical drawings for Neco Borsalino 125cc
Click here on the technical drawings or exploded view of the Neco Borsalino 125cc for which you are looking for parts or accessories. The technical drawings of the Neco Borsalino 125cc give you a clear overview of the various fitting parts and accessories. By looking for your parts, you will always have suitable parts for your Neco Borsalino 125cc.
The power of the Borsalino.
A motor scooter is, of course, more powerful than a normal scooter or moped. With this scooter, the powerful 125cc four-stroke engine provides this. Unfortunately, this can also make your scooter more difficult to control. Fortunately, they have taken this into account. This scooter has an extra wide handlebar, which makes it easier for you to steer and have better control. The economical but also very quiet engine is suitable for both Euro 98 and Euro 95.
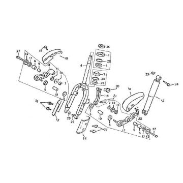
Parts & accessories via the drawings.
A number of drawings are listed above. These drawings are of certain parts groups of your scooter. For example, steering parts, hood parts and cables. This makes it easy and quick to find the parts you're looking for, even if you don't know exactly what it's called. Another advantage of the drawings is that you are always sure that the fit is 100%, because the parts are specially selected for your scooter. In addition, you keep the risk of wear as low as possible. This scooter only exists in black and hence you have no possibility to select a different color.


