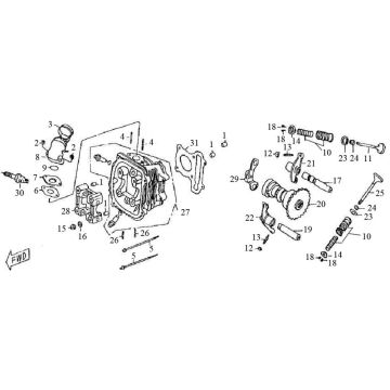
Technical drawings for Killerbee Torino 125cc
Click here on the technical drawings or exploded view of the Killerbee Torino 125cc scooter for which you are looking for parts or accessories. The technical drawings of the Killerbee Torino 125cc give you a clear overview of the various matching parts and accessories. By looking for your parts, you will always have suitable parts for your Killerbee Torino 125cc.
Find parts easily!
Parts and accessories that always fit 100% sure. By means of the above technical drawings, it is made it a lot easier for you to find the right parts with your scooter. For example, we have a separate drawing of almost every part of the scooter, containing the parts that are suitable for your Killerbee Torino 125cc. Also, if you use the products from the drawing, you have the least chance of wear.
The 125cc engine block.
Of course, a motor scooter always has a more powerful engine block as a normal scooter. It can therefore be a bit more difficult to control this scooter, with all its power. Fortunately, this is remedied by the wide steering wheel and good handling. In addition to the fact that the engine block is very powerful, it is also very economical and quite quiet. The looks are also something that sets this scooter apart from the rest. A black scooter with a beautiful retro look with a very wide handlebar.


