Technical drawings for Fosti Retro 125cc
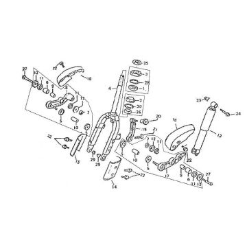
Click here on the technical drawings or exploded view of the Fosti Retro 125cc scooter for which you are looking for parts or accessories. The technical drawings of the Fosti Retro 125cc give you a clear overview of the various fitting parts and accessories. By looking for your parts, you will always have suitable parts for your Fosti Retro 125cc.
Only in black.
The Fosti Retro 125cc, which is only available in black, is a real retro motor scooter. Beautiful retro looks and a very powerful engine block. In addition, the engine is also very quiet and economical, it is also suitable for both Euro 98 and Euro 95. It can also be difficult to control a 125cc scooter, this is no problem with this type, this is due to its wide steering wheel and excellent handling.


