USP Icon
Pay after delivery
USP Icon
Customers rate Zandri 9
USP Icon
More than 100,000 parts in the assortment

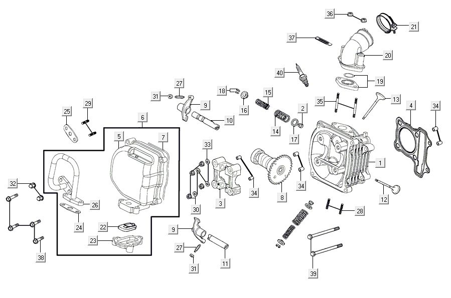
Cylinder head Kymco Agility 16'+ 4t matt metalic blue

Cylinder head Kymco Agility 16'+ 4t matt metalic blue
loader
Loading...

Spare parts Kymco Agility 16 inch + 4t matt metallic blue 50cc