USP Icon
Pay after delivery
USP Icon
Customers rate Zandri 9
USP Icon
More than 100,000 parts in the assortment

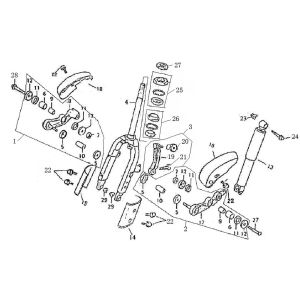
Flashing Light for BTC Grande Retro anthracite

Flashing Light for BTC Grande Retro anthracite
loader
Loading...

Spare parts BTC Grande Retro anthracite