USP Icon
Pay after delivery
USP Icon
Customers rate Zandri 9
USP Icon
More than 100,000 parts in the assortment

Rear flashing light Znen Grand Retro black

Rear flashing light Znen Grand Retro black
loader
Loading...

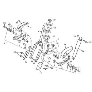
Parts Znen Aurora IV black