USP Icon
Pay after delivery
USP Icon
Customers rate Zandri 9
USP Icon
More than 100,000 parts in the assortment

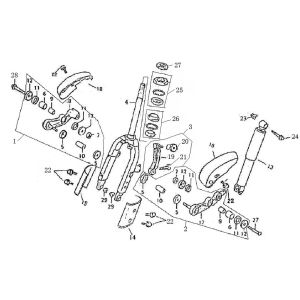
Running board Turbo RG50 blue cream

Running board Turbo RG50 blue cream
loader
Loading...

Spare parts Turbho RG50 blue beige