USP Icon
Pay after delivery
USP Icon
Customers rate Zandri 9
USP Icon
More than 100,000 parts in the assortment

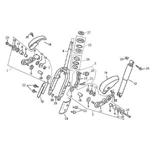
Running board Lintex Retro HT50QT-29 orange

Running board Lintex Retro HT50QT-29 orange
loader
Loading...

Spare parts Lintex Retro HT50QT-29 orange