USP Icon
Pay after delivery
USP Icon
Customers rate Zandri 9
USP Icon
More than 100,000 parts in the assortment

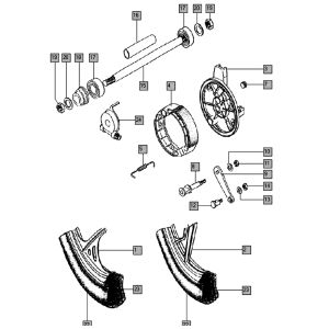
Start mechanisme Tomos STANDARD (25-45KMH) (K8-L0)

Start mechanisme Tomos STANDARD (25-45KMH) (K8-L0)
loader
Loading...