USP Icon
Pay after delivery
USP Icon
Customers rate Zandri 9
USP Icon
More than 100,000 parts in the assortment

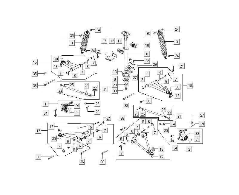
Suspension MXU 400

Suspension MXU 400
loader
Loading...