USP Icon
Pay after delivery
USP Icon
Customers rate Zandri 9
USP Icon
More than 100,000 parts in the assortment

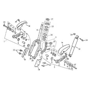
Handlebar parts Rover Exclusive smokey

Handlebar parts Rover Exclusive smokey
loader
Loading...

Spare parts Rover Exclusive smokey