USP Icon
Pay after delivery
USP Icon
Customers rate Zandri 9
USP Icon
More than 100,000 parts in the assortment

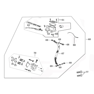
Ignition lock Wiring Harness China Classic S pantone blue

Ignition lock Wiring Harness China Classic S pantone blue
loader
Loading...

Parts China Classic S pantone blue