USP Icon
Pay after delivery
USP Icon
Customers rate Zandri 9
USP Icon
More than 100,000 parts in the assortment

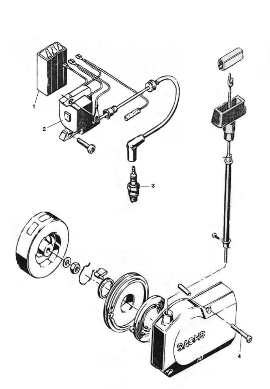
Sachs Ignition Handstart

Sachs Ignition Handstart
loader
Loading...