USP Icon
Pay after delivery
USP Icon
Customers rate Zandri 9
USP Icon
More than 100,000 parts in the assortment

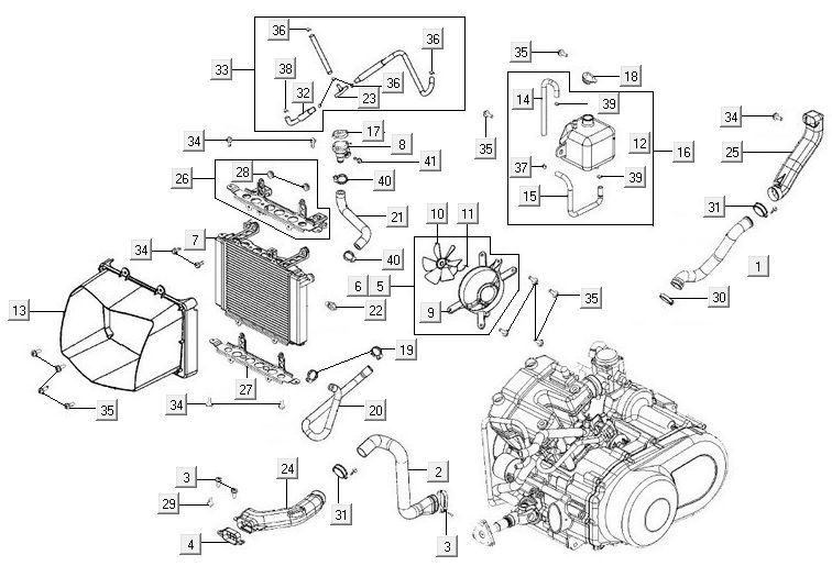
Radiator Kymco MXU 500

Radiator Kymco MXU 500
loader
Loading...