USP Icon
Pay after delivery
USP Icon
Customers rate Zandri 9
USP Icon
More than 100,000 parts in the assortment

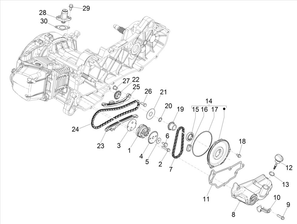
Piaggo Zip 4-stroke oil pump (euro5 injection IGET)

Piaggo Zip 4-stroke oil pump (euro5 injection IGET)
loader
Loading...

Onderdelen Piaggio Zip 4-takt (euro5 injectie IGET)