USP Icon
Pay after delivery
USP Icon
Customers rate Zandri 9
USP Icon
More than 100,000 parts in the assortment

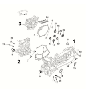
Injection system Peugeot Tweet 125 Z PRO 2021-2022

Injection system Peugeot Tweet 125 Z PRO 2021-2022
loader
Loading...