USP Icon
Pay after delivery
USP Icon
Customers rate Zandri 9
USP Icon
More than 100,000 parts in the assortment

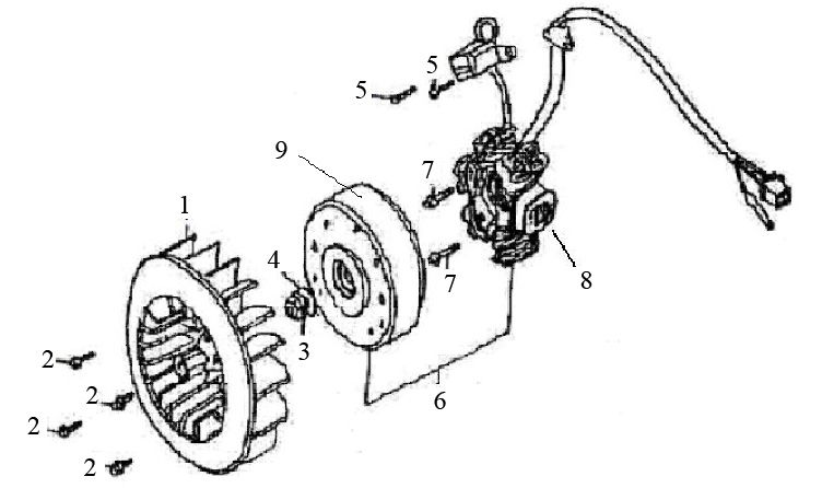
Ignition Eagle-Wing Torino 125cc

Ignition Eagle-Wing Torino 125cc
loader
Loading...