USP Icon
Pay after delivery
USP Icon
Customers rate Zandri 9
USP Icon
More than 100,000 parts in the assortment

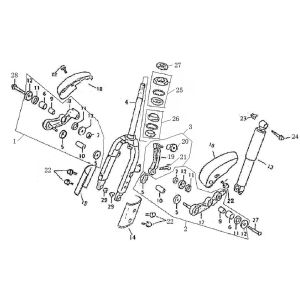
Helmet tray Turbo RG50 smokey

Helmet tray Turbo RG50 smokey
loader
Loading...

Spare parts Turbho RG50 smokey