USP Icon
Pay after delivery
USP Icon
Customers rate Zandri 9
USP Icon
More than 100,000 parts in the assortment

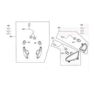
Headlight China VX-S /Riva Sport

Headlight China VX-S /Riva Sport
loader
Loading...

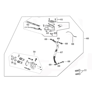
Spare parts AGM VX50s brown