USP Icon
Pay after delivery
USP Icon
Customers rate Zandri 9
USP Icon
More than 100,000 parts in the assortment

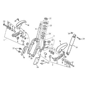
Headlight AGM Retro after 2013 black

Headlight AGM Retro after 2013 black
loader
Loading...

Spare parts AGM Retro 2013> black