USP Icon
Pay after delivery
USP Icon
Customers rate Zandri 9
USP Icon
More than 100,000 parts in the assortment

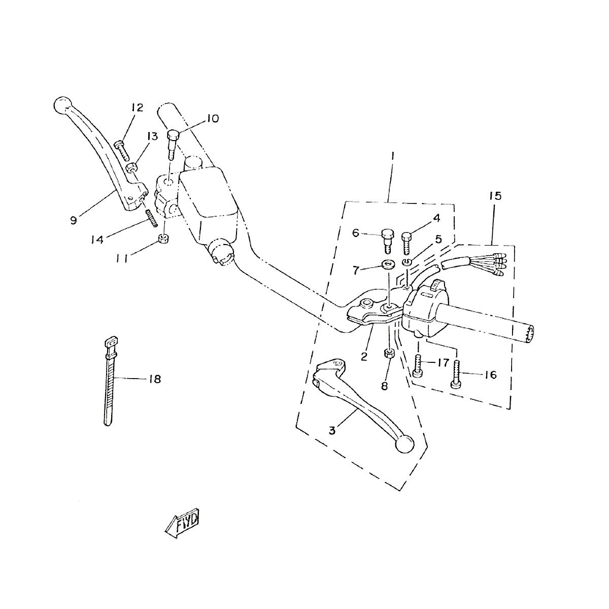
Handels links en rechts Yamaha FS1

Handels links en rechts Yamaha FS1
loader
Loading...