USP Icon
Pay after delivery
USP Icon
Customers rate Zandri 9
USP Icon
More than 100,000 parts in the assortment

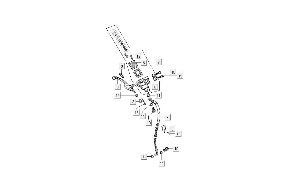
front brake Kymco Super9 AC 2-stroke nm silver - black

front brake Kymco Super9 AC 2-stroke nm silver - black
loader
Loading...

Spare parts Kymco Super9 AC 2-stroke new model silver - black