USP Icon
Pay after delivery
USP Icon
Customers rate Zandri 9
USP Icon
More than 100,000 parts in the assortment

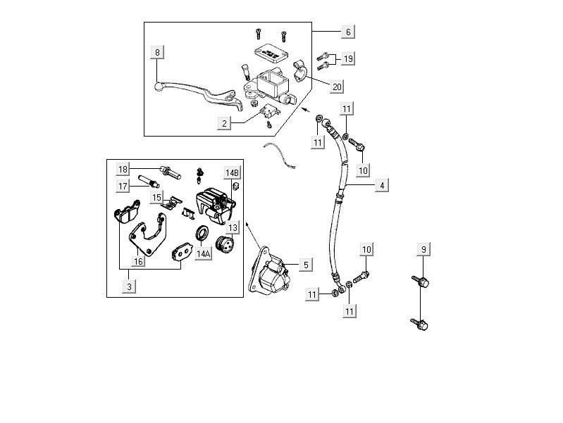
Front brake Kymco Delivery 4-stroke black

Front brake Kymco Delivery 4-stroke black
loader
Loading...