USP Icon
Pay after delivery
USP Icon
Customers rate Zandri 9
USP Icon
More than 100,000 parts in the assortment

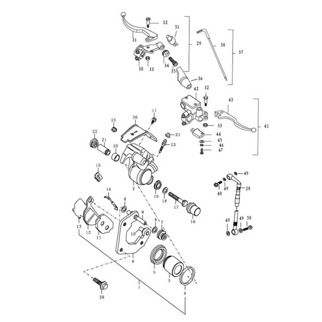
Front Brake Agm Caferacer

Front Brake Agm Caferacer
loader
Loading...